Here's another delightful Lovepedal design for you. Again produced from the freestompboxes cauldren of joy! As we can all now see it is a simple 386 power amp chip distortion device, been around for years yet still pleasing to the ears. Check out the demo video;
Thanks to all of freestompboxes for the research work and especially Ghandi (for the scheme). Expect a PCB layout soon when it's been verified as correct :-)
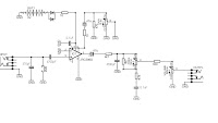
And below is the Purple Plexi 800, which is just a slight variation on the Purple Plexi;
On a side note the 386 chip can be quite entertaining, check out Colin's Parallel Universe design over at www.eaced.com in the schematics section for a truly wacky machine!


The resistors labeled "10" are 10 ohm resistors. The diodes are BAT46 diodes, which can technically be omitted - they are there for polarity protection.
ReplyDeleteThanks for posting these blogs man. Is there any chance of a perf board layout showing up on this build? I'm really new to this whole thing and it would help me a lot. Also, what does "Nature" stand for on the other layouts?
ReplyDeleteThanks!
That is very good comment you shared.Thank you so much that for you shared those things with us.Im wishing you to carry on with ur achivments.All the best.
ReplyDeleteHi there,
ReplyDeleteI found another layout which have three 47uf capacitors instead of two.
What's the difference between them ?
thank you
At max Gain I get Oscillations that only go away if I raise R5 to about 10 K. Anybody else experience this?
ReplyDeleteThanks
Andre
Just built this pedal it sounds pretty good. One problem I have is after I play my guitar for a little while then stop the pedal will make some weird crackle sound like when you remove your guitar cord before shutting down your amp. All my cords are new. I re-soldered everything and I re-checked all my wiring. And for the major high pitch squeal I put a 150r resistor on lug 3 than I hooked up the wire on the gain control. Thanks
ReplyDeleteVery good article post.Much thanks again. Cool.
ReplyDeleteGiá xe Audi
Honda ra mắt 9 mẫu xe phân khối lớn
Mẫu xe Sedan, SUV của Vinfast Việt Nam
Rolls-Royce Cullinan được tiết lộ
Honda Future 2018
Hyundai Accent 2018
I see the schematic has different cap values for C1, C2 & C6 than the layout. Does that make a difference?
ReplyDeleteNice information.. Thanks for sharing this blog. Cool.
ReplyDeletengười ngoài hành tinh
nguoi ngoai hanh tinh
sự sống ngoài hành tinh
tâm linh
ReplyDeleteHi there,
Thank you so much for the post you do and also I like your post, Are you Zoloft 25mg/50mg in the whole USA/Sweden?
We are Providing Buy Melatonin Online Melatonin 10mg,Xanax 2 mg ,Ativan 2 mg,Buy Concerta tablets,Zopiclone 5 mg online,Imovane 5 mg
">MORE DETAILS......
Order Now!...info@godtdsamaritansk.com
zeed slot168 ของพวกเรา วันนี้สามารถ ช่วยเพิ่มเดิมพันที่เหมาะสมที่สุด ให้กับนักร้องเพลงทุกคน pg slot สำหรับเพื่อการเลือกเข้าใช้บริการตรงนี้ กันแน่ๆ ค้ำประกันได้เลยว่าการสร้างรายได้
ReplyDelete