[This post contains information on the Diamond Compressor & Fred Briggs Diamante]
Here's a description from the Diamond website;
"Recording studios often use rackmount 'vocal channels' - a mic preamp, compressor, and EQ all in one unit as a front end for vocal recording.
The Diamond Compressor is our take on a 'guitar channel' - a dynamics and tone shaping tool for live and studio use - with low-noise, ultra-linear signal buffering, smooth opto-based compression, and a versatile 'tilt' EQ that musically shifts overall frequency balance. All in a user-friendly 3-control package - just Comp, EQ and Volume.
Features:
- Vactrol opto-isolator variable resistance path as used in high-end studio compressors for smooth attack and decay characteristics while preserving initial signal transients.
- Premium audio components, including 2% polypropylene capacitors,1% metal film resistors and a pro audio grade opamp (our signal path opamp alone costs 8 to 10 times
what the industry norm uses).
- Post-compressor 'tilt' EQ provides a very musical tailoring of frequency response - seamlessly transition from a darker jazz voicing to a brighter jangle, with flat frequency response at the center detent position.
- Double filtering stage in side chain to eliminate low frequency modulation while preserving fast compression response.
- Dual AC capacitive coupling paths for improved transient response.
- Bi-color LED provides visual indication of depth of compression.
- True bypass signal path.
- Battery or standard negative tip 9V DC adapter operation, can be powered from 9 to 24 V negative tip."
Here's the ProGuitarShop video;
Now here's a gutshot (also from the Diamond website);
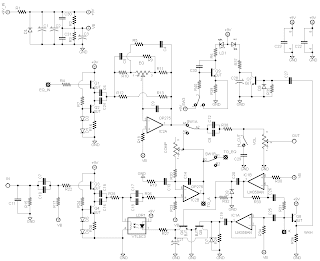
And, thanks to some incredible work by WhiteKeyHole, a schematic;
So, interesting parts of the design - the Tilt EQ is taken from an early 70s stereo preamp designed by Quad Ltd, it gently tilts the eq around 900Hz simultaneously boosting treble and cutting bass and vice versa (mid position is a flat response). It's a great tool for smoothing out EQ ranges and matching various pedals up to one another without sounding too drastic and overpowering other pedal's tonal characteristics. Another addition not normally seen in stompbox design is the current source that has been added to the emitter follower buffer stages. The addition of the current source to these stages reduces the THD (Total Harmonic Distortion) from 0.01% to 0.001% - not something you're really going to hear in a guitar orientated world! Those paralleled capacitors too - not really necessary!
Here's a closer look at the Tilt control schematic;
And a graph of the EQ response curve (note the phase inversion of the signal at extreme settings of the control);
After looking at the Tilt EQ schematic you'll notice that the bypass resistors R13 & R14 have been left in the Diamond design even though they are not needed, you could in fact remove them and not notice a difference.
Parts List;
Here's a closer look at the Tilt control schematic;
And a graph of the EQ response curve (note the phase inversion of the signal at extreme settings of the control);
After looking at the Tilt EQ schematic you'll notice that the bypass resistors R13 & R14 have been left in the Diamond design even though they are not needed, you could in fact remove them and not notice a difference.
Parts List;
NOTE - C33 on the schematic is C32 on this parts list.
Caps 2u2 and higher are electrolytic. C22/23/30/31/32 are ceramic, all other film
C1 47u
C2 47u
C3 47u
C4 5n6
C5 5n6
C6 330n
C7 100n
C8 100n
C9 100p
C10 820p
C11 100p
C12 820p
C13 1u
C14 100p
C15 330n
C16 820p
C17 820p
C18 100n
C19 10n
C20 10n
C21 2u2
C22 100n
C23 100n
C24 820p
C25 3n3
C26 15n
C27 10n
C28 4u7
C29 3n3
C30 100n
C31 100n
C32 100n
Resistors
All metal film 1% except R1 which is carbon film 5%
R1 100R
R2 10K
R3 10K
R4 100R
R5 15K
R6 3.32K
R7 22.1K
R9 15K
R10 47.5K
R11 47.5K
R12 47.5K
R13 47.5K
R15 1M
R16 475R
R17 475K
R18 475K
R19 3.32K
R20 6.41K
R22 100R
R23 475K
R24 22.1K
R25 100K
R26 1K
R27 3.32K
R28 475R
R29 221K
R30 475K
R31 100K
R32 221K
R33 100K
R34 475K
R35 221K
R36 10K
R37 1.5K
R38 10K
R39 Jumper
R40 10K
Transistors are standard NPN/PNP medium gain
LED is a Tri-colour type.
Caps 2u2 and higher are electrolytic. C22/23/30/31/32 are ceramic, all other film
C1 47u
C2 47u
C3 47u
C4 5n6
C5 5n6
C6 330n
C7 100n
C8 100n
C9 100p
C10 820p
C11 100p
C12 820p
C13 1u
C14 100p
C15 330n
C16 820p
C17 820p
C18 100n
C19 10n
C20 10n
C21 2u2
C22 100n
C23 100n
C24 820p
C25 3n3
C26 15n
C27 10n
C28 4u7
C29 3n3
C30 100n
C31 100n
C32 100n
Resistors
All metal film 1% except R1 which is carbon film 5%
R1 100R
R2 10K
R3 10K
R4 100R
R5 15K
R6 3.32K
R7 22.1K
R9 15K
R10 47.5K
R11 47.5K
R12 47.5K
R13 47.5K
R15 1M
R16 475R
R17 475K
R18 475K
R19 3.32K
R20 6.41K
R22 100R
R23 475K
R24 22.1K
R25 100K
R26 1K
R27 3.32K
R28 475R
R29 221K
R30 475K
R31 100K
R32 221K
R33 100K
R34 475K
R35 221K
R36 10K
R37 1.5K
R38 10K
R39 Jumper
R40 10K
Transistors are standard NPN/PNP medium gain
LED is a Tri-colour type.
For those after a layout to build this thing check out Harald Sabro's great layout here; http://www.sabrotone.com/?attachment_id=2157
Here's the freestompboxes.org forum topic; http://freestompboxes.org/viewtopic.php?f=7&t=850
Now, I previously mentioned that the Diamond has many superfluous parts and circuit structures so I decided to simplify it right down. Here's what I came up with;
Basically it's the same circuit as the Diamond just as simple as it can be; the buffers have been removed or simplified and the EQ section has been removed completely leaving controls only for "Compression" and "Volume".
Now, I previously mentioned that the Diamond has many superfluous parts and circuit structures so I decided to simplify it right down. Here's what I came up with;
Basically it's the same circuit as the Diamond just as simple as it can be; the buffers have been removed or simplified and the EQ section has been removed completely leaving controls only for "Compression" and "Volume".






Love the Diamante Fred. It's on my to do list! :o)
ReplyDeleteGreat stuff. You could probably streamline it even more by using a quad opamp! Can't wait to see your layout :-D
DeleteThe bass version too please if you can. Just caps need to be changed? If so which ones to what values?
ReplyDeleteI'm interested in the bass version, too. Do you know how to change the tilt freq??
ReplyDeletebtw awesome site!!
I calc'd all the poles and it looks like 3 caps need to be larger for bass use. The 1uF in series with the 3.3K to gnd (U1B) -3dB@48HZ, should be doubled to give you a -3dB point of 24HZ, and the 2 caps in the input circuit of the control voltage dual opamp (15n and 3.3n (-3dB @ 105HZ) should be made 47n and 10n, for -3dB of 34HZ (41HZ is the lowest note on a 4 string bass) - I'd go up one more standard part value on each of these caps (56n and 15n ?) if you have a 5 or 6 string bass). C = 1/ (2 x pie x r x freq.). r = circuit resistance as seen by the cap. x = times.
ReplyDeleteHi Fred
ReplyDeleteCan I use LED (10mA/2V1) before LED from (VTL5C3) ?
... and Value of R (org R27) after VTL5C3 should be 3k3 ->???
Regards Dariusz from DK
Are you sure:
ReplyDeleteThe 1uF in series with the 3.3K to gnd -> NOT VB ???
Hi fellas,
ReplyDeleteThank you so much for this wonderful article really!
If someone want to read more about that band Rehearsal Room Darlington I think this is the right place for you!
Very good, I think I found the knowledge I needed.
ReplyDeletePolish Dentist In Clapham Junction
You know, this is my first time hearing the name "Diamond compression," but seriously, you have provided very valuable information. I wish to visit more of your blogs to collect more information, but first I have to find a service that can provide me with Essay Help Online at an affordable price.
ReplyDeleteI have one friend who is interested in DIY Guitar effects builds, amplifiers, and guitars type of stuff. He's going to create a related blogging website, now he needs custom web design services. Do you know anything good?
ReplyDeleteThe schematic shows a switch connected to the Bicolor LED circuit. How exactly do you wire that bit and what switch is that?
ReplyDelete